臥式多段泵浦
型號 :
HMH series
HMH 臥式多級泵浦
- 供水和增壓(飲用水及含微量氯水)
- 水處理
- 工業清洗機和洗碗機
- 增壓用水
- 工業供熱和冷卻
- 空調系統
- 空氣清新和加溫設備
- 配置加長軸電機;緊實結構設計。
- 鋁合金馬達外殼,散熱性極佳。
- 不銹鋼多段式泵葉與導葉設計,耐磨耗。(泵葉段數越多代表出水壓力越大)
- 主要接液面為不銹鋼材質,確保使用水潔淨(無鐵鏽)與安心。
- 環境溫度:max.+50°C
- 液體溫度:標準軸封耐溫-20°C~+70°C / 耐熱軸封-20°C~+104°C
- 工作壓力:max.+1.0Mpa
- 正壓取水(水源高於泵浦),若水槽(水源)低於泵浦,吸上高不要超過3M,且一定要裝逆止閥。
- 適用液體 : 清潔、不含固體顆粒或纖維的非易燃易爆液體。 輸送諸如礦泉水、軟水 、純水、可食用植物油和其他輕化工介質。 當輸送液體的密度或黏度大於水,必須配用大功率電機。

| 型號 | 馬力 | 口徑(入/出口內牙) | 相數 |
Q ( m3/h ) |
0.5 | 1.0 | 1.5 | 2.0 | 2.5 | 3.0 | 3.5 | 4.0 | 4.5 | 50 | 曲線代碼 |
|---|---|---|---|---|---|---|---|---|---|---|---|---|---|---|---|
| HP(kW) | Inch | ∅ | |||||||||||||
| HMH225-2.37 26 | ½ (0.37) | 1" / 1" | 1 | H (m) | 27.5 | 27 | 25.5 | 25 | 24 | 23 | 21 | 19 | 15 | 10 | A |
| HMH225-3.55 2 | ¾ (0.55) | 1" / 1" | 3 | 41 | 40 | 38 | 37 | 36 | 34 | 31 | 28 | 23 | 15 | B | |
| HMH225-4.75 26 | 1 (0.75) | 1" / 1" | 1 / 3 | 55 | 53 | 51 | 50 | 48 | 44 | 42 | 37 | 30 | 20 | C | |
| HMH225-51.0 26 |
1¼ (1.0) |
1" / 1" |
1 / 3 | 68 | 66 | 64 | 62 | 60 | 59 | 52 | 46 | 38 | 25 | D | |
| HMH225-61.3 26 |
1¾ (1.3) |
1" / 1" |
1 / 3 | 82 | 79 | 76 | 74 | 72 | 68 | 62 | 55 | 45 | 30 | E |
| 型號 | 馬力 | 口徑(入/出口內牙) | 相數 |
Q ( m3/h ) |
1.0 | 2.0 | 3.0 | 4.0 | 4.5 | 5.0 | 6.0 | 7.0 | 7.5 | 曲線代碼 |
|---|---|---|---|---|---|---|---|---|---|---|---|---|---|---|
| HP(kW) | Inch | ∅ | ||||||||||||
| HMH230-2.75 2 | 1 (0.75) | 1" / 1" | 3 | H (m) | 28 | 26 | 24.5 | 23 | 22 | 21 | 18 | 14 | 12 | F |
| HMH230-31.0 26 | 1¼ (1.0) | 1.2" / 1" | 1 / 3 | 42 | 39.5 | 37 | 34.5 | 33 | 31.5 | 27 | 20.5 | 17 | G | |
| HMH230-41.0 26 | 1¼ (1.0) | 1.2" / 1" | 1 / 3 | 56 | 52.5 | 49 | 46 | 44 | 42 | 36 | 28 | 24 | H | |
| HMH230-51.85 26 |
2½ (1.85) |
1.2" / 1" |
1 / 3 | 70 | 65.5 | 62 | 57.5 | 55 | 52.5 | 45 | 34.5 | 32 | I |
| 型號 | 馬力 | 口徑(入/出口內牙) | 相數 | Q m3/h | 4.0 | 5.0 | 6.0 | 7.0 | 8.0 | 9.0 | 10 | 12 | 14 | 曲線代碼 |
|---|---|---|---|---|---|---|---|---|---|---|---|---|---|---|
| HP(kW) | Inch | ∅ | ||||||||||||
| HMH240-11.0 2 | 1¼ (1.0) | 1.5" / 1.5" | 3 | H (m) | 22 | 21 | 20 | 19 | 18 | 16 | 14 | 12 | 8 | J |
| HMH240-21.5 26M | 2 (1.5) | 1.5" / 1.5" | 1 / 3 | 34 | 33 | 32 | 30 | 28 | 26 | 24 | 19 | 15 | K | |
| HMH240-21.85 2 | 2½ (1.85) | 1..5" / 1.5" | 3 | 45 | 42 | 40 | 38 | 36 | 32 | 28 | 24 | 17 | L | |
| HMH240-32.2 2M |
3 (2.2) |
1.5" / 1.5" |
3 | 58 | 55 | 52 | 50 | 46 | 42 | 38 | 31 | 20 | M | |
| HMH240-33.0 2 | 4 (3.0) |
1.5" / 1.5" |
3 | 72 | 70 | 67 | 62 | 60 | 52 | 47 | 35 | 26 | N |
| 型號 | 馬力 | 口徑(入/出口內牙) | 相數 | Q m3/h | 4.0 | 5.0 | 6.0 | 7.0 | 8.0 | 9.0 | 10 | 11 | 12 | 13 | 14 | 15 | 16 | 17 | 曲線代碼 |
|---|---|---|---|---|---|---|---|---|---|---|---|---|---|---|---|---|---|---|---|
| HP(kW) | Inch | ∅ | |||||||||||||||||
| HMH240-22.2 2 | 3 (2.2) | 1.5" / 1.5" | 3 | H (m) | 44 | 43.5 | 43 | 42 | 41 | 40 | 38 | 36 | 34 | 33 | 32 | 29 | 27 | 23 | O |
| HMH240-44.0 2 | 5½ (4.0) | 1.5" / 1.5" | 3 | 91 | 90 | 89 | 88 | 87 | 83 | 80 | 78 | 76 | 71 | 66 | 61 | 57 | 51 | P |
| 型號 | 馬力 | 口徑(入/出口內牙) | 相數 | Q m3/h | 6.0 | 8.0 | 9.0 | 10 | 11 | 12 | 13 | 14 | 15 | 16 | 曲線代碼 |
|---|---|---|---|---|---|---|---|---|---|---|---|---|---|---|---|
| HP(kW) | Inch | ∅ | |||||||||||||
| HMH240-22.2 2M | 3 (2.2) | 1.5" / 1.5" | 3 | H (m) | 42 | 40 | 38 | 37 | 35 | 34 | 32 | 29 | 26 | 24 | Q |
| HMH240-23.0 2 | 4 (3.0) | 1.5" / 1.5" | 3 | 48 | 45 | 43 | 40 | 38 | 36 | 34 | 32 | 28 | 26 | R |
| 型號 | 馬力 | 口徑(入/出口內牙) | 相數 | Q m3/h | 8.0 | 12 | 16 | 20 | 24 | 28 | 曲線代碼 |
|---|---|---|---|---|---|---|---|---|---|---|---|
| HP(kW) | Inch | ∅ | |||||||||
| HMH250-23.0 2 | 4 (3.0) | 2" / 2" | 3 | H (m) | 37 | 35 | 33 | 31 | 27 | 22 | S |
| HMH250-34.0 2 | 5½ (4.0) | 2" / 2" | 3 | 56 | 54 | 52 | 48 | 41 | 36 | T |
| 型號 | 馬力 |
口徑(入/出口內牙) |
相數 | Q m3/h | 10 | 14 | 16 | 20 | 24 | 28 | 32 | 曲線代碼 |
|---|---|---|---|---|---|---|---|---|---|---|---|---|
| HP(kW) | Inch | ∅ | ||||||||||
| HMH250-24.0 2 | 5½ (4.0) | 2" / 2" | 3 | H (m) | 39 | 38 | 36 | 34 | 33 | 30 | 26 | U |
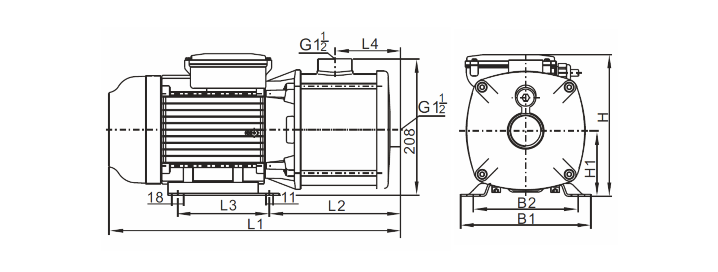
| 型號 | 外觀尺寸 | 重量 | |||||||||||
|---|---|---|---|---|---|---|---|---|---|---|---|---|---|
| B1 | B2 | B3 | H1 | H2(單相) | H2(三相) | L1 | L2 | L3 | L4 | L5 | L6 | KG | |
| HMH225-2.37 26 | 140 | 158 | 125 | 75 | 170 | - | 321 | 131 | 113 | 72 | 96 | 136 | 8 |
| HMH225-3.55 2 | 140 | 158 | 125 | 75 | - | 174 | 350 | 131 | 113 | 72 | 96 | 136 | 10 |
| HMH225-4.75 2(6) | 140 | 158 | 125 | 75 | 182 | 188 | 365 | 149 | 125 | 90 | 96 | 155 | 11.5 |
| HMH225-51.0 2(6) | 140 | 158 | 125 | 75 | 185 | 188 | 383 | 167 | 143 | 108 | 96 | 155 | 12.5 |
| HMH225-61.3 2(6) | 155 | 178 | 140 | 90 | 230 | 211 | 446 | 243 | 228 | 144 | 125 | 155 | 14 |
| 型號 | 外觀尺寸 | 重量 | |||||||||||
|---|---|---|---|---|---|---|---|---|---|---|---|---|---|
| B1 | B2 | B3 | H1 | H2(單相) | H2(三相) | L1 | L2 | L3 | L4 | L5 | L6 | KG | |
| HMH225-2.75 26 | 140 | 158 | 125 | 75 | - | 188 | 347 | 131 | 107 | 72 | 96 | 155 | 10.5 |
| HMH230-31.0 2(6) | 140 | 158 | 125 | 75 | 182 | 188 | 347 | 131 | 107 | 72 | 96 | 155 | 11.5 |
| HMH230-41.0 2(6) | 140 | 158 | 125 | 75 | 185 | 188 | 365 | 149 | 125 | 90 | 96 | 155 | 12.5 |
| HMH230-51.85 2(6) | 155 | 178 | 140 | 90 | 226 | 212 | 410 | 207 | 192 | 108 | 125 | 155 | 17 |
| 型號 | 外觀尺寸 | 重量 | |||||||||||
|---|---|---|---|---|---|---|---|---|---|---|---|---|---|
| B1(單相) | B2(單相) | L1(單相) | L3(單相) | H(單相) | B1(三相) | B2(三相) | L1(三相) | L3(三相) | H(三相) | L2 | L4 | KG | |
| HMH240-11.0 2 | - | - | - | - | - | 158 | 125 | 377 | 96 | 212 | 185 | 100 | 12.9 |
| HMH240-21.5 2(6)M | 158 | 125 | 408 | 96 | 232 | 158 | 125 | 408 | 96 | 217 | 200 | 100 | 13 |
| HMH240-21.85 2 | - | - | - | - | - | 158 | 125 | 408 | 96 | 217 | 200 | 100 | 13.7 |
| HMH240-32.2 2M | - | - | - | - | - | 158 | 125 | 408 | 96 | 217 | 200 | 100 | 21 |
| HMH240-33.0 2 | - | - | - | - | - | 199 | 160 | 469 | 140 | 212 | 200 | 100 | 21.4 |
| 型號 | 外觀尺寸 | 重量 | |||||||
|---|---|---|---|---|---|---|---|---|---|
| B1 | B2 | L1 | L2 | L3 | L4 | H1 | H | KG | |
| HMH240-22.2 2 | 199 | 160 | 448 | 200 | 140 | 100 | 100 | 212 | 13 |
| HMH240-44.0 2 | 199 | 160 | 515 | 252 | 140 | 130 | 105 | 252 | 26 |
| 型號 | 外觀尺寸 | 重量 | ||||||
|---|---|---|---|---|---|---|---|---|
| B1 | B2 | L1 | L3 | H | L2 | L4 | KG | |
| HMH240-22.2 2M | 158 | 125 | 408 | 96 | 217 | 200 | 100 | 19.1 |
| HMH240-23.0 2 | 199 | 160 | 469 | 140 | 212 | 200 | 100 | 20.3 |
| 型號 | 外觀尺寸 | 重量 | ||||||
|---|---|---|---|---|---|---|---|---|
| B1 | B2 | L1 | L3 | H | L2 | L4 | KG | |
| HMH250-23.0 2 | 199 | 160 | 500 | 140 | 212 | 100 | 230 | 24.8 |
| HMH250-34.0 2 | 199 | 160 | 513 | 140 | 252 | 105 | 252 | 26.4 |
| HMH250-24.0 2 | 199 | 160 | 513 | 140 | 252 | 105 | 252 | 24.4 |